JA-456玻璃破碎探测器使用说明书
2021.01.25
一、概述
玻璃破碎探测器是对玻璃破碎作出报警反应的仪器,本产品使用高精度麦克风对周围的声音进行采集,得到的音频讯号,经过滤波,放大处理后,送到微处理器进行分析、判断。适用于银行、宾馆、仓库、家庭等场所的安全防范。
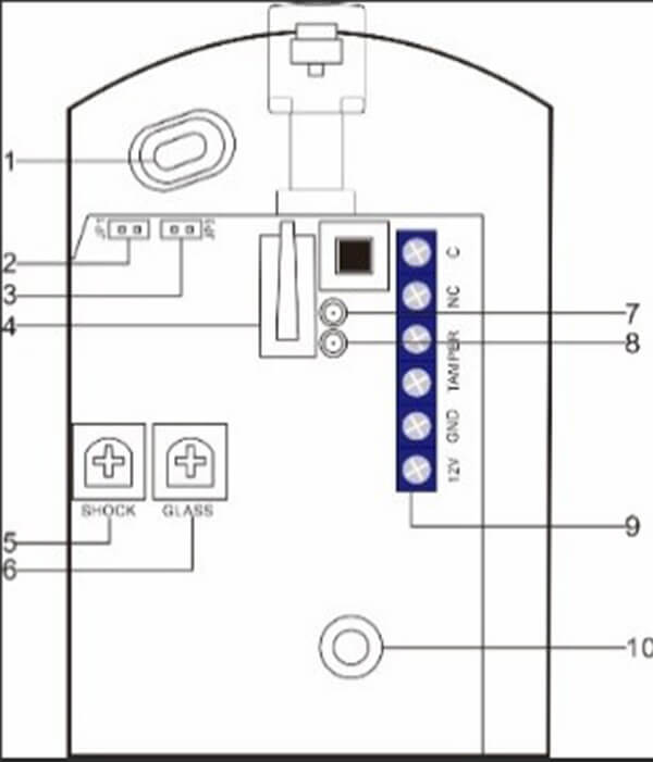
二、产品示意图


1、螺丝固孔
2、预留(JP1默认短接即可)
3、常开常闭可选(JP3)
4、防拆开关
5、SHOCK
6、GLASS
7、LED (红)
8、LED (绿)
9、接线端子
10、声音传感器
三、功能特点
采用微处理器
独特的外观设计
双色LED显示
灵敏度可调
具有报警锁定模式
采用SMT生产工艺
超强抗电磁、射频干扰
报警输出常开/常闭可选
四、技术参数
工作电压:DC9〜16V
静态电流:25mA (DC12V)
报警电流:30mA (DC12V)
探测范围:灵敏度可调,最大3m
报警输出:常开/常闭可选
防拆开关:常闭,接点容量DC28V,100mA
外壳材料:ABS阻燃塑料
外形尺寸:92mm*67mm*26.4m
五、产品的使用
1、工作模式
1)、接通12V直流电源,红/绿灯间歇慢闪30次后进入正常模式。
2)、红/绿灯间歇闪烁过程中,用手在探测器表面正上方轻轻拂动,绿灯快速闪烁,说明探测器感应到低频讯号。
3)、红/绿灯间歇闪烁过程中,敲击硬物,红灯快速闪烁,说明探测器感应到高频声音讯号。
4)、正常模式过程中,可以对探测器进行灵敏度调节,GLASS:高频增益;SHOCK:低频增益。
2、报警输出状态
短接JP3跳针为常闭输出(默认);断开JP3跳针为常开输出。
3、接线说明
① 12V: 直流电源正极
② GND: 直流电源负极
③ TAMPER: 防拆输出接口
④ NC&COM: 报警输出接口(默认常闭输出,可通过JP3跳针选择常开、常闭输出)
4、产品安装及灵敏度设置
一个合适的安装位置是探测器能否达到最佳效能的关键因素。探测器安装在被测玻璃紧邻天花板上或正对的墙壁上。避免靠近警铃、风扇、压缩机和发出大声音的噪音物体。以确保探测器的麦克风对被探测玻璃有一个直接和无障碍的监测。
用户可根据需要对探测器进行灵敏度设置。如果安装环境易产生回音,将灵敏度调低;如果安装环境使用了隔音材料,将灵敏度调高。
5、灵敏度调节方式
1、SHOCK.\GLASS逆时针旋转,降低灵敏度;
2、SHOCK顺时针旋转,增加SHOCK灵敏度;(SHOCK:低频增益);
3、GLASSS顺时针旋转,增加GLASSS灵敏度;(GLASSS:低高增益);


